-
A koronázó bazilika titkai
A Városháza Dísztermében mutatták be Szabó Zoltán építészettörténész koronázó bazilikáról szóló két újabb kötetét, melyek témáját egyrészt az egykori bazilikában megtalált uralkodói, főnemesi és egyházi sírok, másrészt a középkori földrengések, fehérvári tűzvészek, illetve a koronázó templom átépítésének összefüggései adják.
2025.12.04. -
Városismereti séta
A Siklósi Gyula Várostörténeti Kutatóközpont városismereti sétasorozatának ez évi utolsó alkalmára invitálja az érdeklődőket. Az idei év utolsó sétája 2025. december 11-én, csütörtökön 14 órakor indul az Országalmától. Az adventi hangulatba illeszkedő tematikájú séta során a résztvevők két, egykor rendházként működő épületet látogathatnak meg.
2025.12.04. -
Országnak nagy örömével
Első szent királyunk királlyá koronázásának 1025. évfordulójához kapcsolódóan rendezett pénteken konferenciát a Siklósi Gyula Várostörténeti Kutatóközpont és a Szent István Király Múzeum. A konferencián a legújabb kutatási eredményekről is szó esett a 11. századi városfallal, illetve a koronázó bazilika Szent István-kori építkezéseivel kapcsolatban.
2025.11.28. -
Csitáry Helytörténeti Verseny
A hagyományteremtő szándékkal rendezett Csitáry G. Emil Helytörténeti Verseny döntője a Tóparti Gimnáziumban volt. Az általános iskolai felső tagozatos tanulóknak kiírt Becsület és munka mottójú versenyt az 5-6. osztályos korcsoportban a Vörösmarty Mihály Általános Iskola 6.b csapata nyerte, míg a 7-8. osztályos korosztályban a II. Rákóczi Ferenc Magyar-Angol Két Tanítási Nyelvű Általános Iskola Nyertesek (Rákóczi 8.) fantázianevű formációja győzött.
2025.11.25.
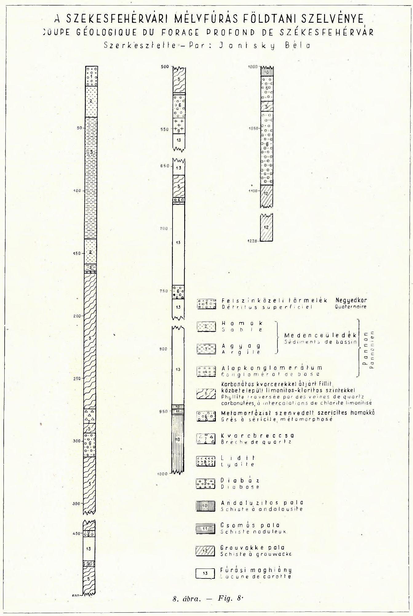
Nem találtak termálvizet, pedig 1228 méter mélyre fúrtak eleink
A Magyar Bányászati és Földtani Szolgálat Szabályozott Tevékenységek Felügyeleti Hatósága a mai napig őrzi a Székesfehérvári mélyfúrás anyagát az Oroszlány melletti szépvízéri raktárában. A képen látható kőzetminta Székesfehérvárról a földfelszín alatt 1228 méterről származik.
A fúrást 1228 méteren abbahagyták, sajnos melegvizet nem találtak
A Földtani Intézetben őrzött fehérvári fúrási anyag igaz hiányos, mégis a fúrásszelvényről elég pontos képet kaphatunk. Ez a fúrás a Kárpát-medencében talán egyedüli, amely 165 m-től 1228,2 m-ig, több mint ezer méteren harántolta a kristályos alaphegységet.

- A felső 165 m-ben 41 m-ig laza, ártéri és eolikus úton szállított homok található, ez alatt pannóniai homokos agyag következik, alján a pannóniai abráziós felszín törmelékével. 165 m-től kvarc- és kalciterekkel átjárt, szürke és vörösesbarna, selymes fényű, szericites, kloritos fillit összlet következik 541,8 m-ig, amelyben egymást váltják a zöldesszürke kloritos és barnásvörös limonitos sávok.
- 541,8 m-től 553,8 m-ig a fúró erősen kloritosodott, elbontott diabáz törmelékét hozta fel.
- 553,8 m-től 657,6 m-ig, csaknem 100 m-en át sajnos hiányzik a mintaanyag. Innen 945 m-ig igen
hiányos mintákban továbbra is kloritos fillit váltakozik metamorf homokkővel. - 945 m-től 1008 m-ig andaluzitos pala és csomóspala következik.
- 1008-1094,8 m-ig ismét fillit és metamorf homokkő következik kalcitos kvarcerekkel átjárva.
- 1094,00 m-től egészen a talpig, azaz 1228,2 m-ig egységesen, igen erősen elbontott, ércszemekkel hintett grauvakke összlet következik sok klorittal és karbonáttal. A kőzet alapanyaga kvarc és földpát törmeléke, szericittel és klorittal, mellékes elegyrészek biotit, rutil, cirkon és turmalin.
A fúrás oka volt, hogy termálvizet kerestek a város altt, de nem jártak sikerrel, viszont ennek köszönhetjük a Csitáry-vizet. Mohai ásványvíz medencéje ugyanis mélyen a föld alatt benyúlik a város alá, ezért a fúrás során mintegy 200 méter mélységben savas vízre számítottak. A fúrást végző Pávai Vajna Ferenc célkitűzése volt, hogy mintegy 600 méter mélységben meleg vizet találjon, így a fentebbi rétegben lévő vízzel keverve olyan egyedülálló meleg szénsavas vizet juttathat a fürdő közönségének, ami Európában akkoriban csak egy helyen, Mannheimben volt található. A több mint egy évig tartó fúrás eredményeként 1935-ben mintegy 850 méteres mélységig jutottak. Az ásványi anyagot tartalmazó víz mennyisége azonban nem volt elégséges a fürdő céljaira. A fúrási munkát 1228 méter mélységben szüntették meg.
A mélyfúrások beszüntetésével pedig a 130 méter mélységből feltörő szénsavas vizet elnevezték Csitáry-víznek. A víz 8,5 mg/l kálium, 203 mg/l nátrium, 442 mg/l kalcium, 131 mg/l magnézium, 5,4 mg/l vas, 49 mg/l klorid, 0,14 mg/l bromid, 0,029 mg/l jodid, 0,10 mg/l fluorid és 2610 mg/l hidrogénkarbonát ásványianyag-tartalommal rendelkezik. Később az Árpád-fürdő forrásait birtokló Klein Rezső szerette volna bérbe venni a víz hasznosításának jogát, de a gyorsan kedveltté vált vizet azóta is ingyen használja a város közönsége, hiszen közpénzen folytatták a feltárását.
Források:
- Jantsky Béla, A Velencei-hegység földtana
- Városi Levéltár és Kutatóintézet
- Földtani Közlöny - Adatok a székesfehérvári mélyfúrás kőzetanyagának ismeretéhez
